█ 规格参数
规格型号
JSA-EFPTZDUSO4D30K
承载方式
双侧载 [左、右各占总承载的一半]
传动方式
高精度闭环伺服电机谐波传动-[集成磁编码器]
水平范围
0°~360°连续旋转
-90°~90°
垂直速度
重复精度
预 置 位
≤200
巡航扫描
支持
通信接口
RS422
通讯协议
Pelco_D
波 特 率
9600
地 址 码
1
底部进线
DC24V/*1、RS422*1、GND*1、直通线:10/100M*1; 可选1000M型号:JSA-EFPTZDUSO4D30AK
顶部出线
左载:DC24V/2A*1、RS485*1、GND*1、直通线:10/100M*1; 可选1000M型号:JSA-EFPTZDUSO4D30AK
右载:DC24V/2A*1、RS485*1、GND*1、直通线:10/100M*1; 可选1000M型号:JSA-EFPTZDUSO4D30AK
数据回传
支持角度方位数据实时或查询回传
供电规格
DC24V ±10% ;待机≤30W
工作温度
-40℃~+70℃
工作湿度
<90%RH
防雷规格
支持设备级防雷,电源4000V,通讯视频信号2000V
防护等级
IP67
整机重量
≈16kg
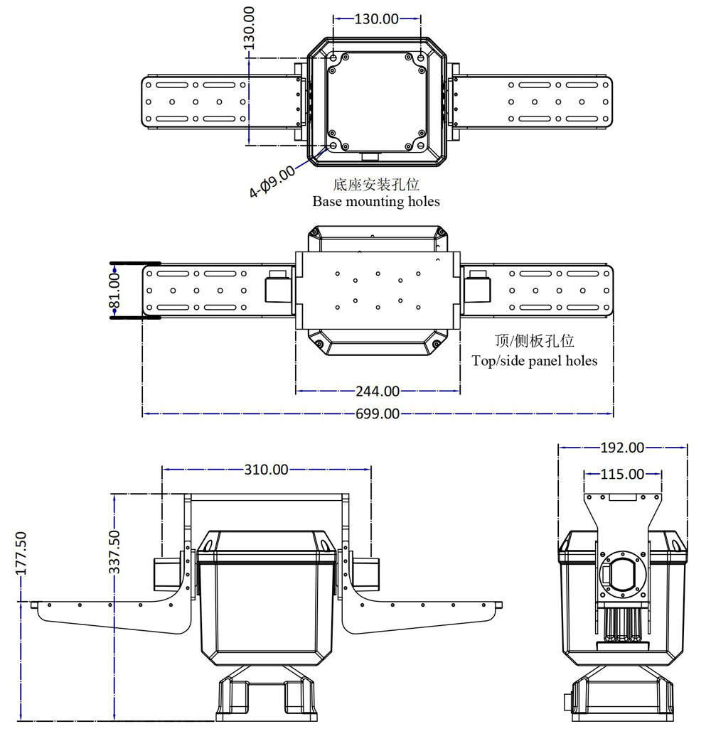
338*192*699
定制版本
█ 产品尺寸
因为专注 所以专业
成立于2005年,多年行业沉淀